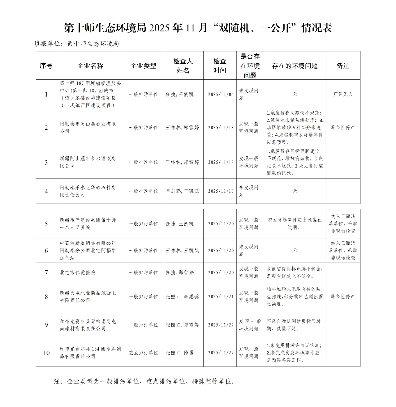
第十师生态环境局2025年11月“双随机、一公开”情况表
编辑:生态环境局
发布时间:2025-11-28 16:53:00
